氟塑料衬里调节阀是阀门行业根据防腐蚀工业管道的需要而研发的高新技术产品。
氟塑料衬里调节阀主要用于调节含有腐蚀性介质的流量、压力温度和液位。根据调节部位信号,自动调节开席,从而达到腐蚀性介质流量、压力、温度和液位的调节。
随着自动化程度的不断提高,氟塑料衬里调节阀在设备和管道控制中发挥着越来越重要的作用。氟塑料衬里调节阀成为防腐蚀工业管道控制系统中不可缺少执行元件,通过接收调节控制单元输出的控制信号,借助动力操作去改变流体的诸要素,所以调节阀也称为控制阀。调节阀的驱动装置通常采用电动、气动和液动。
氟塑料衬里调节阀直接应用于各种防腐蚀工业管道和设备上,其质量和可靠性不仅影响调节品质,而且还涉及系统的安全,维护人员安全和环境污染等重大问题。
调节阀在我国通用机械产品中属仪表行业,由于其越来越重要的作用,几乎在工业管道中无处不在,而氟塑料衬里调节阀又有其自身的特性,所以本节中仍将其列入,并做一般介绍。对于驱动装置和控制都分。
(1)氟塑料衬里调节阀性能参数
①调节阀技术参数
公称尺寸 DN20~200
公称压力 PN6~16
工作温度 -29~150℃
流量特性 线性、等百分比
输入信号范围 气信号:标准20~100kPa
电信号:4~20mA
作用方式 正作用或反作用(气开或气关,电开或电关)
泄漏量 ≤±0.01%(或零泄漏)
固有可调比 30:1
基本误差 ≤±8%
额定流量系数误差 ≤±10%(Kv≤时±15%)
产品使用环境温度 -29~150℃
②氟塑料衬里调节阀阀体主要材料和适用介质 氟塑料衬里调节阀所使用的壳体材料主要有碳钢和不锈钢,衬里材料主要有PTFE、FEP、PFA等。适用的介质主要是各种酸碱类化学物质、有机溶剂等。
③氟塑料衬里调节阀的流量特性 是指在调节阀进出口压差固定不变的情况下的流量特性,有直线、等百分比、抛物线及快开四种特性(表19-3)。氟塑料衬里调节阀,通常应用最多的是直线流量特性(图19-12)和等百分比流量特性(图19-13)。

(2)氟塑料衬里调节阀结构
调节阀结构形式很多,受氟塑料材料和衬里工艺的限制,氟塑料衬里调节阀结构形式目前国内只有直行程单座球芯截止型氟塑料衬里调节阀与直行程隔膜阀型所闻料衬里调节阀两种,角行程球阀形、蝶阀形、旋塞形氟塑料衬里调节阀相信不久也会问世。
目前常见的有气动单座氟塑料衬里调节阀与电动单座氟塑料衬里调节阀。
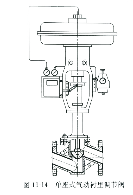
防腐蚀工业管道上用的氟塑料衬里调节阀主要由阀体、阀盖、阀瓣、阀座、阀杆等组成,见图19-14。根据阀瓣调节的方式分直行程式和角行程式两种。
①直行程序式调节阀 流量是靠阀瓣在阀座中做垂直移动时,改变阀座流通面积来进行调节的。阀瓣的开、关由电动执行机构或气动、液动机构控制。属这类结构的有:单座调节阀、笼式调节阀、双座调节阀、套筒调节阀、三通调节阀、角形调节、隔膜调节阀等。
氟塑料衬里调节阀目前只有直行程单座调节阀一种。
②角行程式调节阀 阀门的流量调节借圆筒形的阀瓣相对阀座回转,改变阀瓣上窗口面积来实现。阀门的开关范围,由阀门上方的开席指示板指示,指示针所指示的开关范围与阀门的开关范围相一致。属于这类结构的有:蝶形调节阀、球形调节阀、偏心旋转调节阀等。